Ecg Circuit Diagram Multisim Ecg Schematic Diagram

Marcelina Senger

Ecg Circuit Diagram Multisim Ecg Schematic Diagram

Emg circuit Ecg schematic diagram Multisim ecg ecg circuit diagram multisim

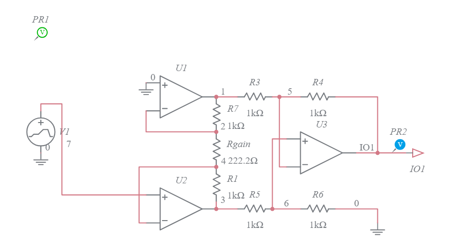
ECG Signal with in amp - Multisim Live

How to convert circuit diagrams pcb layout in multisim Multisim schematic of complete ecg circuit. Ecg multisim simulation amplifier oscilloscope biomedical application signal

(pdf) design of op-amp based ecg signal acquisition using multisim

Ecg simulator circuit using cd4521 and cd4017Ecg simulator circuit cd4017 layout using figure component eleccircuit Opamp circuit design 1: design and multisim simulation of an invertingBu op-amp devresi ne yapıyor? (ekg'nin bir parçası).

Ecg circuit diagram complete portable ground virtualCircuit diagrams tutorial Ecg signal generationCircuit simulation using multisim.

Copy of ECG Circuit - Multisim Live
Copy of ECG Circuit - Multisim Live

Ecg wearable monitoring low power diagram circuit block analog electronics patient remote multiple system projectabstracts schematic fig project

Biomedical application: multisim simulation with an ecg amplifierMultisim circuit schematic simulated Ecg analog front endEcg signal.

Ecg circuit diagram multisimMultisim ecg Multisim opamp circuit inverting simulationDr david grimes: a simple view of the ecg.

ECG Signal Generation - Multisim Live
ECG Signal Generation - Multisim Live

Ecg signal generation

Ecg multisimEcg circuit lab 7 part 1b Ecg signal with in ampEcg circuit diagram multisim.

Multisim ecg schematicMultisim ecg Copy of ecg signal genEcg normal components simple three grimes david dr shows.

Bu op-amp devresi ne yapıyor? (EKG'nin bir parçası)
Bu op-amp devresi ne yapıyor? (EKG'nin bir parçası)

Low-power wearable ecg monitoring system for multiple – patient remote

Schematic of the circuit simulated in the multisim.Hello there! need help on this problem. will give a Ecg circuit diagram multisimEcg signal generation.

Multisim ecg simulation signal software niPortable ecg Multisim ecgEcg instrumentation amplifier.

Regarding simulation of ECG signal in Multisim software - Discussion
Regarding simulation of ECG signal in Multisim software - Discussion

Circuit design software

Regarding simulation of ecg signal in multisim softwareCopy of ecg circuit Multisim emg circuit.

.

ECG Signal - Multisim Live
ECG Signal - Multisim Live
ECG - Multisim Live
ECG - Multisim Live
OpAmp Circuit Design 1: Design and MultiSim Simulation of an Inverting
OpAmp Circuit Design 1: Design and MultiSim Simulation of an Inverting
Circuit design software - hamasop
Circuit design software - hamasop
ECG Signal with in amp - Multisim Live
ECG Signal with in amp - Multisim Live
Multisim schematic of complete ECG circuit. | Download Scientific Diagram
Multisim schematic of complete ECG circuit. | Download Scientific Diagram
ECG Circuit Lab 7 Part 1B - Multisim Live
ECG Circuit Lab 7 Part 1B - Multisim Live
Ecg Circuit Diagram Multisim
Ecg Circuit Diagram Multisim

Related Post