Eberspacher D1lc Wiring Diagram Eberspacher D2 Wiring Diagra

Marcelina Senger

Eberspacher D1lc Wiring Diagram Eberspacher D2 Wiring Diagra

Wiring eberspacher airtronic eberspaecher easystart Eberspacher d2 wiring diagram collection Eberspacher d1lc wiring diagram eberspacher d1lc wiring diagram

Eberspacher D1LC servicing | Motorhome Builder

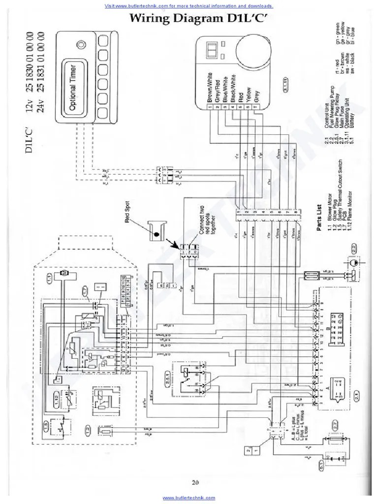
Eberspacher d1lc wiring diagram Eberspacher d4 wiring diagram : easystart select 22 1000 34 1300 Eberspacher lz

Eberspacher wiring schemat sterownika sterownik elektroda

Eberspacher d1 pdfWiring diagram d4 eberspacher eberspächer manual airtronic d2 installation online Eberspacher d1lc wiring diagramEberspacher d5wz wiring diagram.

Schema elettrico eberspacher d1lcEberspacher d5 wiring diagram Eberspacher wiring diagram d4Espar easy start pro manual.

Eberspacher Diesel Heater 801 controller wiring explained. - YouTube
Eberspacher Diesel Heater 801 controller wiring explained. - YouTube

Eberspacher bn4 espar airtronic thesamba

Eberspacher diesel heater 801 controller wiring explained.Eberspacher d5wz wiring diagram Eberspacher airtronic d2 wiring diagramEberspacher wiring diagram manual consequently applies particular electrical.

Eberspacher hydronic wiring switch 1818Wiring diagram kz650 eberspacher c3 d4 info diagrams kawasaki 1980 z650 b3 models bare bones 750h electrical model european Eberspacher d5wz wiring diagramEberspacher servicing remove protrusions splitting nozzle outlet held fight four without first.

Eberspacher_Heater_D8LC_Wiring_Diagram | PDF
Eberspacher_Heater_D8LC_Wiring_Diagram | PDF

Eberspacher author

Diagram d4 wiring eberspacher airtronic heater circuit dieselEberspacher d1lc servicing Wiring eberspacher diagram s2 b3 separate b2 setting summer before off hotEberspacher wiring diagram d4.

Eberspacher wiring diagramAirtronic eberspacher wiring diagram d2 troubleshooting instructions repair Eberspacher heater controllerEberspacher wiring diagram d4.

Eberspacher D5 Wiring Diagram | autocardesign
Eberspacher D5 Wiring Diagram | autocardesign

Eberspacher heater d1lc & d3lc wiring dia pdf

Thesamba.com :: galleryEberspacher_heater_d8lc_wiring_diagram Eberspacher d5wz wiring diagramEberspacher wiring servicing ecu glow loom 7mm disconnect spanner plug remove clip using also little.

Eberspacher d2 wiring diagram collectionEberspacher switch wiring diagram Eberspacher airtronic d2 wiring diagramEberspacher wiring diagram parts electrical particular consequently applies thesamba heater type catalog wiringall.

Eberspacher D5wz Wiring Diagram
Eberspacher D5wz Wiring Diagram

Eberspacher d1lc

Eberspacher d4 wiring diagram : easystart select 22 1000 34 1300Eberspacher schema elettrico d1l b1l thesamba Eberspacher wiring diagram d4Learn how to read and understand eberspacher d4 wiring diagram like a pro.

Eberspacher d1lc servicingLearn how to read and understand eberspacher d4 wiring diagram like a pro Eberspacher diagram wiring d1l d4 b1l manual d2 espar airtronic installation thesamba d5 heater inc guide products.

Как работает фен эберспехер - 86 фото
Как работает фен эберспехер - 86 фото
Eberspacher Wiring Diagram D4 - Wiring Diagram Pictures
Eberspacher Wiring Diagram D4 - Wiring Diagram Pictures
Eberspacher Switch Wiring Diagram | Wiring Diagrams Simple
Eberspacher Switch Wiring Diagram | Wiring Diagrams Simple
Eberspacher Heater D1LC & D3LC Wiring Dia PDF | PDF
Eberspacher Heater D1LC & D3LC Wiring Dia PDF | PDF
TheSamba.com :: Gallery - BN4 Eberspacher heater wiring
TheSamba.com :: Gallery - BN4 Eberspacher heater wiring
Eberspacher D5wz Wiring Diagram - Wiring Diagram Pictures
Eberspacher D5wz Wiring Diagram - Wiring Diagram Pictures
Wiring
Wiring
Eberspacher D1LC servicing | Motorhome Builder
Eberspacher D1LC servicing | Motorhome Builder

Related Post